مزایا و ویژگی های ساختاری
1. این محصول مطابق با استاندارد ملی GB 12235، با ساختار معقول، آب بندی قابل اعتماد، عملکرد و شکل زیبا طراحی و تولید شده است.
2. دریچه فلپ، سطح آب بندی صندلی سوپاپ آلی یا ماهواره ای مبتنی بر آهن (elie) ساخته شده از جوشکاری آلیاژی مبتنی بر کبالت، مقاوم در برابر سایش، درجه حرارت بالا، خوردگی، عملکرد ضد سایش، عمر طولانی.
3. ساقه خاموش و درمان نیتروژن با مقاومت خوب در برابر خوردگی و مقاومت در برابر خراش.
4. می توان با انواع فلنج های لوله استاندارد و انواع سطح آب بندی فلنج برای رفع نیازهای مختلف پروژه و نیازهای کاربر استفاده کرد.
5. تنوع مواد بدنه، بسته بندی و واشر می تواند بر اساس شرایط واقعی کار یا درخواست کاربر یک گزینه معقول باشد و با انواع فشار، دما و شرایط متوسط قابل اعمال است.
6. مهر و موم شده با اتصال پیچ مهر و موم صندلی عقب یا بدن ساخته شده از فولاد ضد زنگ جوش، آب بندی و جایگزینی قابل اعتماد پرت کردن به شیوه ای بدون توقف راحت و کارآمد بر عملکرد سیستم تاثیر نمی گذارد.
استانداردها و هنجارها
| طراحی و ساخت | طول سازه | درجه حرارت فشار | فلنج اتصال | تست و بازرسی |
| GB 12235 | GB 12221 | GB 12224 | JB/T 79/82~1994 GB 9113 اچG 20592-20635 | JB/T 9092-1999 GB 13927 |
مواد اجزای اصلی
| نام | مواد | ||||||||
| بدنه / کاپوت | CF8 | CF3 | CF8M | CF3M | WCB | LCB | WC6 | WC9 | C5 |
| گوه | CF8 | CF3 | CF8M | CF3M | WCB | LCB | WC6 | WC9 | C5 |
| ساقه | F304 | F304L | F316 | F316L | 2CR13 | F304 | F304 | F304 | F304 |
| ساقه Nut | آلومینیوم برنز | ||||||||
| بسته بندی | PTFE/گرافیت انعطاف پذیر | گرافیت | |||||||
| واشر | تشک PTFE/فلزی | گرافیت | |||||||
| غده | CF8 | CF3 | CF8M | CF3M | WCB | LCB | WC6 | WC9 | C5 |
| پیچ و مهره | 35 CrMoA | ||||||||
| مهره | فولاد ضد زنگ | 45، 35 CrMoA | |||||||
| چرخ دستی | فولاد ضد زنگ Cast Steel | ||||||||
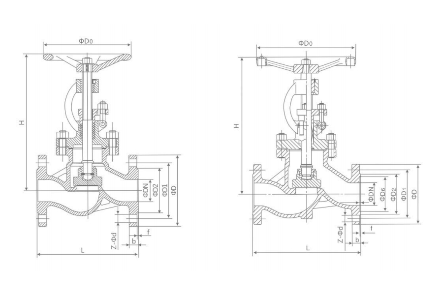
بعد خارجی و اتصال اصلی
| PN (MPa) | DN (mm) | اندازه (میلی متر) | دستگاه الکتریکی مدل | ضخامت دیوار | |||||||||
| L | D | D1 | D2 | D6 | b-f | f2 | Z-Φd | H | D0 | ||||
| 1.6 | 10 | 130 | 90 | 60 | 40 | 16-2 | 4-φ14 | 198 | 120 | 6.4 | |||
| 15 | 130 | 95 | 65 | 45 | 16-2 | 4-φ14 | 218 | 120 | 6.4 | ||||
| 20 | 150 | 105 | 75 | 55 | 18-2 | 4-φ14 | 230 | 140 | 6.4 | ||||
| 25 | 160 | 115 | 85 | 65 | 18-2 | 4-φ14 | 240 | 160 | 6.4 | ||||
| 32 | 180 | 140 | 100 | 78 | 18-2 | 4-φ18 | 250 | 180 | 6.4 | ||||
| 40 | 200 | 150 | 110 | 85 | 18-3 | 4-φ18 | 262 | 200 | 6.4 | ||||
| 50 | 230 | 165 | 125 | 100 | 18-3 | 4-φ18 | 280 | 240 | DZW10A | 7.9 | |||
| 65 | 290 | 185 | 145 | 120 | 18-3 | 8-φ18 | 327 | 280 | DZW10A | 11 | |||
| 80 | 310 | 200 | 160 | 135 | 20-3 | 8-φ18 | 355 | 280 | DZW10A | 11.5 | |||
| 100 | 350 | 220 | 180 | 155 | 20-3 | 8-φ18 | 415 | 320 | DZW15A | 12.5 | |||
| 125 | 400 | 250 | 210 | 185 | 22-3 | 8-φ18 | 460 | 360 | DZW20A | 13 | |||
| 150 | 480 | 285 | 240 | 210 | 22-3 | 8-φ22 | 510 | 400 | DZW30A | 13.5 | |||
| 200 | 600 | 340 | 295 | 265 | 24-3 | 12-φ22 | 588 | 400 | DZW45A | 15 | |||
| 250 | 650 | 405 | 355 | 320 | 26-3 | 12-φ26 | 725 | 450 | DZW60A | 16 | |||
| 300 | 750 | 460 | 410 | 375 | 28-4 | 12-φ26 | 925 | 500 | DZW90 | 18 | |||
| 350 | 850 | 520 | 470 | 435 | 30-4 | 16-φ26 | 1030 | 600 | DZW120 | 19 | |||
| 400 | 950 | 580 | 525 | 485 | 32-4 | 16-φ30 | 1170 | 700 | DZW180 | 21 | |||
| 450 | 1050 | 640 | 585 | 545 | 40-4 | 20-φ30 | 1220 | 800 | DZW180 | 21.5 | |||
| 500 | 1150 | 715 | 650 | 608 | 44-4 | 20-φ33 | 1410 | 900 | DZW250 | 22 | |||
| 600 | 1350 | 840 | 770 | 718 | 54-5 | 20-φ36 | 1610 | 1000 | DZW350 | 25 | |||
درباره چانگشوی
Changshui Technology Group Co., Ltd.is a valve integrating R&D, manufacturing, sales and service The manufacturer is currently one of the main suppliers of general-purpose valves in China. The main products are: gate valves, globe valves, butterfly valves, ball valves, check valves, regulating valves, pressure reducing valves, diaphragm valves, plug valves, plunger valves, drains Valves, hydraulic control valves, etc. محصولات با کیفیت بالا مورد تحسین و احترام کاربران در صنایع مختلف قرار گرفته اند و به طور گسترده در صنایع ساختمانی، گرمایشی، آبرسانی، نفت، شیمیایی، برق و سایر صنایع مورد استفاده قرار می گیرند! هدف این شرکت کمک به جامعه با محصولات باکیفیت است. هدف ما جلب رضایت کاربران است. خط مشی کیفیت ما این است: "برآوردن نیازها و انتظارات کاربران برای کیفیت محصول و جهش رو به جلو سطح مدیریت کیفیت درجه یک، تولید محصولات درجه یک، ایجاد خدمات درجه یک، "صنعت CSHUValve دارای این شرکت است که مایل است با دوستان جدید و قدیمی، و همکاران در جامعه کار کند، و کاربران در داخل و خارج از کشور دوباره دست به دست هم بدهند، و Floor، جدید!
مقدمه ای بر اجزای شیر پروانه ای شیر پروانه ای یک نوع شیر همه کاره و پرکاربرد در صنایع مختلف است که به دلیل طراحی فشرده و عملکرد قابل اعتماد آن ش...
READ MOREمشکلات رایج دریچه دروازه شیرهای دروازه ای اجزای ضروری در سیستم های مختلف صنعتی و مسکونی هستند که روشی مطمئن برای کنترل جریان آب یا گاز ارائه می ...
READ MOREدرک سوپاپ های چک شیر چک وسیله ای مکانیکی است که اجازه می دهد سیال یا گاز فقط در یک جهت جریان یابد. عملکرد اصلی آن جلوگیری از جریان برگشتی است که...
READ MORE1. مروری بر چدن داکتیل چدن داکتیل که با نام های چدن گره ای یا چدن گرافیت کروی نیز شناخته می شود، نوعی چدن است که با استحکام بالا، شکل پذیری عالی...
READ MORE1. درک سوپاپ ها و صندلی ها سوپاپ ها و صندلی ها اجزای ضروری در کنترل جریان مایعات یا گازها در خطوط لوله، موتورها و ماشین آلات هستند. دریچه به عنو...
READ MORE