Changshui Technology Group Co., Ltd.

سوپاپ کنترل صدا خفه کن HC41X-16Q

صفحه اصلی / محصولات / شیر چدن داکتیل / شیر چک چدن داکتیل / سوپاپ کنترل صدا خفه کن HC41X-16Q
  • سوپاپ کنترل صدا خفه کن HC41X-16Q
  • سوپاپ کنترل صدا خفه کن HC41X-16Q
  • سوپاپ کنترل صدا خفه کن HC41X-16Q
  • سوپاپ کنترل صدا خفه کن HC41X-16Q
  • سوپاپ کنترل صدا خفه کن HC41X-16Q
  • سوپاپ کنترل صدا خفه کن HC41X-16Q

سوپاپ کنترل صدا خفه کن HC41X-16Q

دریچه های چک خاموش کننده عمدتاً برای سیستم های تامین آب و زهکشی ساختمان های بلند، سیستم های تامین آب لوله آتش نشانی و غیره مناسب هستند. این شیر چک خاموش کننده می تواند به طور موثری از جریان برگشت محیط و ایجاد چکش آب مخرب جلوگیری کند و از پمپ آب و سایر تجهیزات خط لوله محافظت کند. مشخصات اصلی عملکرد شیر آن به شرح زیر است: 1. این شیر می تواند به صورت عمودی یا افقی نصب شود. سوپاپ را می توان به صورت انعطاف پذیر بلند و پایین آورد و به نرمی کار می کند، صدای کم دارد، ایمن است و به ندرت ایراد دارد. 2. ساختار معقول و عملکرد آب بندی خوب. 3. مقاوم در برابر سایش و عمر طولانی.

  • سوپاپ کنترل صدا خفه کن HC41X-16Q
  • سوپاپ کنترل صدا خفه کن HC41X-16Q
  • سوپاپ کنترل صدا خفه کن HC41X-16Q
  • سوپاپ کنترل صدا خفه کن HC41X-16Q
  • سوپاپ کنترل صدا خفه کن HC41X-16Q
  • سوپاپ کنترل صدا خفه کن HC41X-16Q
با ما تماس بگیرید

توضیحات

مواد بدنه

چدن گره ای

مدل

HC41X-16Q

مشخصات

DN40-600

فشار اسمی

1.0/1.6/2.5Mpa

دمای عملیاتی

0-80 درجه سانتی گراد

رسانه قابل اجرا

آب

استانداردهای طراحی

GB/24924-2011


بررسی اجمالی محصول

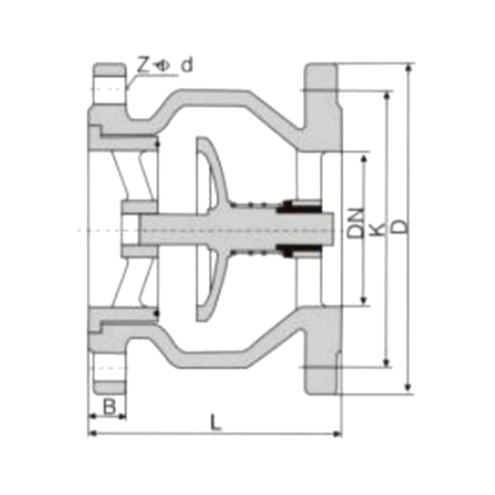
شیر چک بی صدا به دریچه ای اطلاق می شود که به جریان خود محیط متکی است تا به طور خودکار دیسک شیر را باز و بسته کند تا از جریان برگشتی محیط جلوگیری کند. به آن شیر چک، شیر یکطرفه، سوپاپ کنترل صدا خفه کن، شیر ضد جریان و شیر فشار برگشت نیز می گویند. . عملکرد اصلی آن جلوگیری از جریان برگشتی محیط، جلوگیری از چرخش معکوس پمپ و موتور محرک و آزاد کردن محیط ظرف است. همچنین می تواند در خطوط لوله تامین کننده سیستم های کمکی که فشار ممکن است از فشار سیستم بالاتر رود استفاده شود. عمدتا برای خطوط لوله خالص و صنعتی، حفاظت از محیط زیست، تصفیه آب، تامین آب ساختمان های بلند و خطوط لوله زهکشی برای جلوگیری از جریان معکوس رسانه استفاده می شود.

ویژگی های محصول

دیسک شیر توسط محور مرکزی در دو سر ورودی و خروجی هدایت می شود و به صورت انعطاف پذیر باز و بسته می شود و می تواند به صورت افقی یا عمودی نصب شود. دیسک سوپاپ دارای فنر است و بسته شدن سریع آن می تواند به طور موثری فشار چکش آب را با عملکرد آب بندی خوب و بدون سر و صدا در هنگام بسته شدن کاهش دهد. مقاوم در برابر سایش و عمر طولانی.


مواد قطعات اصلی

شماره سریال قسمت اصلی مواد
1 بدنه سوپاپ QT450
2 حلقه سوپاپ QT450
3 دیسک مجموعه های لاستیکی
4 بهار فولاد ضد زنگ
5 ساقه 2CR13

پارامترهای فنی محصول

مشخصات (DN) 50 65 80 100 125 150 200 250 300 350 400
طول سوپاپ (میلی متر) 120 132 150 162 188 207 253 278 310 350 390
فشار تست
(MPa)
مسکن 1.5-2.4
مهر و موم 1.1-1.76
فشار اسمی (MPa) 1.0-1.6
دمای قابل اجرا 0-80 درجه سانتیگراد
رسانه قابل اجرا آب و سیالات ضعیف خورنده

درباره چانگشوی

فن آوری های پیشرفته برای عملیات کارآمد و قابل اعتماد

Changshui Technology Group Co., Ltd.is a valve integrating R&D, manufacturing, sales and service The manufacturer is currently one of the main suppliers of general-purpose valves in China. The main products are: gate valves, globe valves, butterfly valves, ball valves, check valves, regulating valves, pressure reducing valves, diaphragm valves, plug valves, plunger valves, drains Valves, hydraulic control valves, etc.

محصولات با کیفیت بالا مورد تحسین و احترام کاربران در صنایع مختلف قرار گرفته اند و به طور گسترده در صنایع ساختمانی، گرمایشی، آبرسانی، نفت، شیمیایی، برق و سایر صنایع مورد استفاده قرار می گیرند! هدف این شرکت کمک به جامعه با محصولات باکیفیت است. هدف ما جلب رضایت کاربران است. خط مشی کیفیت ما این است: "برآوردن نیازها و انتظارات کاربران برای کیفیت محصول و جهش رو به جلو سطح مدیریت کیفیت درجه یک، تولید محصولات درجه یک، ایجاد خدمات درجه یک، "صنعت CSHUValve دارای این شرکت است که مایل است با دوستان جدید و قدیمی، و همکاران در جامعه کار کند، و کاربران در داخل و خارج از کشور دوباره دست به دست هم بدهند، و Floor، جدید!


اخبار
پیام بازخورد
  • فشردن دکمه "ارسال" نشان می دهد که شما با شرکت موافقت کرده اید برای رسیدگی به داده های فردی استفاده می شود.