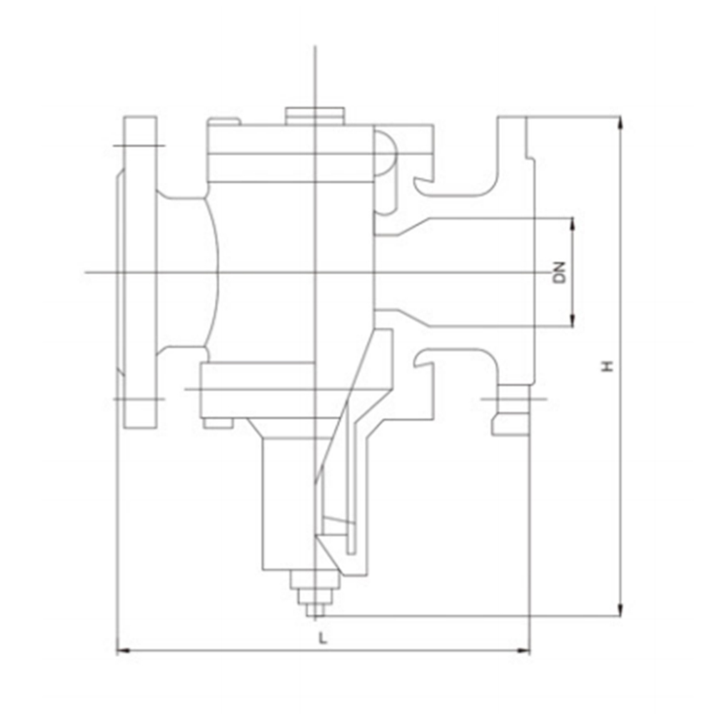
شیر کنترل اختلاف فشار خودکار یک شیر متعادل کننده شرایط هیدرولیک با اختلاف فشار ثابت خودکار است. در سیستم های آبی مانند گرمایش مرکزی و تهویه مطبوع مرکزی استفاده می شود. برای تنظیم مستقل هر کاربر از سیستم کنترلشده و هر دستگاه پایانه، به ویژه برای سیستمهای گرمایش اندازهگیری خانگی و سیستمهای تهویه مطبوع جریان متغیر مناسب است.
中文简体






